MCPWM

ESP32 has two MCPWM units which can be used to control different types of motors. Each unit has three pairs of PWM outputs.

MCPWM Overview

MCPWM Overview

Further in documentation the outputs of a single unit are labeled PWMxA / PWMxB.

More detailed block diagram of the MCPWM unit is shown below. Each A/B pair may be clocked by any one of the three timers Timer 0, 1 and 2. The same timer may be used to clock more than one pair of PWM outputs. Each unit is also able to collect inputs such as SYNC SIGNALS, detect FAULT SIGNALS like motor overcurrent or overvoltage, as well as obtain feedback with CAPTURE SIGNALS on e.g. a rotor position.

MCPWM Block Diagram

MCPWM Block Diagram

Description of this API starts with configuration of MCPWM’s Timer and Generator submodules to provide the basic motor control functionality. Then it discusses more advanced submodules and functionalities of a Fault Handler, signal Capture, Carrier and Interrupts.

Contents

  • Configure a basic functionality of the outputs
  • Operate the outputs to drive a motor
  • Adjust how the motor is driven
  • Capture external signals to provide additional control over the outputs
  • Use Fault Handler to detect and manage faults
  • Add a higher frequency Carrier, if output signals are passed through an isolation transformer
  • Configuration and handling of Interrupts.

Configure

The scope of configuration depends on the motor type, in particular how many outputs and inputs are required, and what will be the sequence of signals to drive the motor.

In this case we will describe a simple configuration to control a brushed DC motor that is using only some of the available MCPWM’s resources. An example circuit is shown below. It includes a H-Bridge to switch polarization of a voltage applied to the motor (M) and to provide sufficient current to drive it.

Example of Brushed DC Motor Control with MCPWM

Example of Brushed DC Motor Control with MCPWM

Configuration covers the following steps:

  1. Selection of a MPWn unit that will be used to drive the motor. There are two units available on-board of ESP32 and enumerated in mcpwm_unit_t.
  2. Initialization of two GPIOs as output signals within selected unit by calling mcpwm_gpio_init(). The two output signals are typically used to command the motor to rotate right or left. All available signal options are listed in mcpwm_io_signals_t. To set more than a single pin at a time, use function mcpwm_set_pin() together with mcpwm_pin_config_t.
  3. Selection of a timer. There are three timers available within the unit. The timers are listed in mcpwm_timer_t.
  4. Setting of the timer frequency and initial duty within mcpwm_config_t structure.
  5. Calling of mcpwm_init() with the above parameters to make the configuration effective.

Operate

To operate a motor connected to the MCPWM unit, e.g. turn it left or right, or vary the speed, we should apply some control signals to the unit’s outputs. The outputs are organized into three pairs. Within a pair they are labeled “A” and “B” and each driven by a submodule called an “Generator”. To provide a PWM signal, the Operator itself, which contains two Generator, should be clocked by one of three available Timers. To make the API simpler, each Timer is automatically associated by the API to drive an Operator of the same index, e.g. Timer 0 is associated with Operator 0.

There are the following basic ways to control the outputs:

  • We can drive particular signal steady high or steady low with function mcpwm_set_signal_high() or mcpwm_set_signal_low(). This will make the motor to turn with a maximum speed or stop. Depending on selected output A or B the motor will rotate either right or left.
  • Another option is to drive the outputs with the PWM signal by calling mcpwm_start() or mcpwm_stop(). The motor speed will be proportional to the PWM duty.
  • To vary PWM’s duty call mcpwm_set_duty() and provide the duty value in %. Optionally, you may call mcpwm_set_duty_in_us(), if you prefer to set the duty in microseconds. Checking of currently set value is possible by calling mcpwm_get_duty(). Phase of the PWM signal may be altered by calling mcpwm_set_duty_type(). The duty is set individually for each A and B output using mcpwm_generator_t in specific function calls. The duty value refers either to high or low output signal duration. This is configured when calling mcpwm_init(), as discussed in section Configure, and selecting one of options from mcpwm_duty_type_t.

注解

Call function mcpwm_set_duty_type() every time after mcpwm_set_signal_high() or mcpwm_set_signal_low() to resume with previously set duty cycle.

Adjust

There are couple of ways to adjust a signal on the outputs and changing how the motor operates.

  • Set specific PWM frequency by calling mcpwm_set_frequency(). This may be required to adjust to electrical or mechanical characteristics of particular motor and driver. To check what frequency is set, use function mcpwm_get_frequency().
  • Introduce a dead time between outputs A and B when they are changing the state to reverse direction of the motor rotation. This is to make up for on/off switching delay of the motor driver FETs. The dead time options are defined in mcpwm_deadtime_type_t and enabled by calling mcpwm_deadtime_enable(). To disable this functionality call mcpwm_deadtime_disable().
  • Synchronize outputs of operator submodules, e.g. to get raising edge of PWM0A/B and PWM1A/B to start exactly at the same time, or shift them between each other by a given phase. Synchronization is triggered by SYNC SIGNALS shown on the block diagram of the MCPWM above, and defined in mcpwm_sync_signal_t. To attach the signal to a GPIO call mcpwm_gpio_init(). You can then enable synchronization with function mcpwm_sync_enable(). As input parameters provide MCPWM unit, timer to synchronize, the synchronization signal and a phase to delay the timer.

注解

Synchronization signals are referred to using two different enumerations. First one mcpwm_io_signals_t is used together with function mcpwm_gpio_init() when selecting a GPIO as the signal input source. The second one mcpwm_sync_signal_t is used when enabling or disabling synchronization with mcpwm_sync_enable() or mcpwm_sync_disable().

  • Vary the pattern of the A/B output signals by getting MCPWM counters to count up, down and up/down (automatically changing the count direction). Respective configuration is done when calling mcpwm_init(), as discussed in section Configure, and selecting one of counter types from mcpwm_counter_type_t. For explanation of how A/B PWM output signals are generated please refer to ESP32 Technical Reference Manual.

Capture

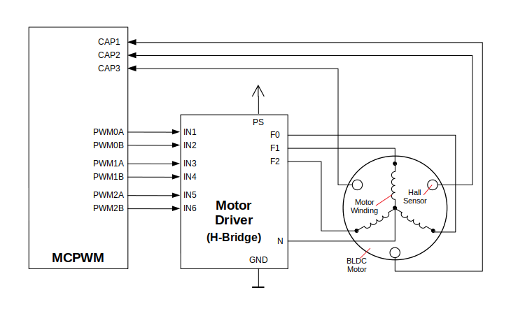
One of requirements of BLDC (Brushless DC, see figure below) motor control is sensing of the rotor position. To facilitate this task each MCPWM unit provides three sensing inputs together with dedicated hardware. The hardware is able to detect the input signal’s edge and measure time between signals. As result the control software is simpler and the CPU power may be used for other tasks.

Example of Brushless DC Motor Control with MCPWM

Example of Brushless DC Motor Control with MCPWM

The capture functionality may be used for other types of motors or tasks. The functionality is enabled in two steps:

  1. Configuration of GPIOs to act as the capture signal inputs by calling functions mcpwm_gpio_init() or mcpwm_set_pin(), that were described in section Configure.
  2. Enabling of the functionality itself by invoking mcpwm_capture_enable(), selecting desired signal input from mcpwm_capture_signal_t, setting the signal edge with mcpwm_capture_on_edge_t and the signal count prescaler.

Within the second step above a 32-bit capture timer is enabled. The timer runs continuously driven by the APB clock. The clock frequency is typically 80 MHz. On each capture event the capture timer’s value is stored in time-stamp register that may be then checked by calling mcpwm_capture_signal_get_value(). The edge of the last signal may be checked with mcpwm_capture_signal_get_edge().

If not required anymore, the capture functionality may be disabled with mcpwm_capture_disable().

Fault Handler

Each unit of the MCPWM is able to sense external signals with information about failure of the motor, the motor driver or any other device connected to the MCPWM. There are three fault inputs per unit that may be routed to user selectable GPIOs. The MCPWM may be configured to perform one of four predefined actions on A/B outputs when a fault signal is received:

  • lock current state of the output
  • set the output low
  • set the output high
  • toggle the output

The user should determine possible failure modes of the motor and what action should be performed on detection of particular fault, e.g. drive all outputs low for a brushed motor, or lock current state for a stepper motor, etc. As result of this action the motor should be put into a safe state to reduce likelihood of a damage caused by the fault.

The fault handler functionality is enabled in two steps:

  1. Configuration of GPIOs to act as fault signal inputs. This is done in analogous way as described for capture signals in section above. It includes setting the signal level to trigger the fault as defined in mcpwm_fault_input_level_t.
  2. Initialization of the fault handler by calling either mcpwm_fault_set_oneshot_mode() or mcpwm_fault_set_cyc_mode(). These functions set the mode that MCPWM should operate once fault signal becomes inactive. There are two modes possible:

The function call parameters include selection of one of three fault inputs defined in mcpwm_fault_signal_t and specific action on outputs A and B defined in mcpwm_action_on_pwmxa_t and mcpwm_action_on_pwmxb_t.

Particular fault signal may be disabled at the runtime by calling mcpwm_fault_deinit().

Carrier

The MCPWM has a carrier submodule used if galvanic isolation from the motor driver is required by passing the A/B output signals through transformers. Any of A and B output signals may be at 100% duty and not changing whenever motor is required to run steady at the full load. Coupling of non alternating signals with a transformer is problematic, so the signals are modulated by the carrier submodule to create an AC waveform, to make the coupling possible.

To use the carrier submodule, it should be first initialized by calling mcpwm_carrier_init(). The carrier parameters are defined in mcpwm_carrier_config_t structure invoked within the function call. Then the carrier functionality may be enabled by calling mcpwm_carrier_enable().

The carrier parameters may be then alerted at a runtime by calling dedicated functions to change individual fields of the mcpwm_carrier_config_t structure, like mcpwm_carrier_set_period(), mcpwm_carrier_set_duty_cycle(), mcpwm_carrier_output_invert(), etc.

This includes enabling and setting duration of the first pulse of the career with mcpwm_carrier_oneshot_mode_enable(). For more details please refer to “PWM Carrier Submodule” section of the ESP32 Technical Reference Manual.

To disable carrier functionality call mcpwm_carrier_disable().

Interrupts

Registering of the MCPWM interrupt handler is possible by calling mcpwm_isr_register().

Application Example

Examples of using MCPWM for motor control: peripherals/mcpwm:

API Reference

Enumerations

enum mcpwm_intr_t

Interrupts for MCPWM.

Values:

MCPWM_LL_INTR_CAP0 = BIT(27)

Capture 0 happened.

MCPWM_LL_INTR_CAP1 = BIT(28)

Capture 1 happened.

MCPWM_LL_INTR_CAP2 = BIT(29)

Capture 2 happened.

enum mcpwm_counter_type_t

Select type of MCPWM counter.

Values:

MCPWM_UP_COUNTER = 1

For asymmetric MCPWM

MCPWM_DOWN_COUNTER

For asymmetric MCPWM

MCPWM_UP_DOWN_COUNTER

For symmetric MCPWM, frequency is half of MCPWM frequency set

MCPWM_COUNTER_MAX

Maximum counter mode

enum mcpwm_duty_type_t

Select type of MCPWM duty cycle mode.

Values:

MCPWM_DUTY_MODE_0 = 0

Active high duty, i.e. duty cycle proportional to high time for asymmetric MCPWM

MCPWM_DUTY_MODE_1

Active low duty, i.e. duty cycle proportional to low time for asymmetric MCPWM, out of phase(inverted) MCPWM

MCPWM_HAL_GENERATOR_MODE_FORCE_LOW
MCPWM_HAL_GENERATOR_MODE_FORCE_HIGH
MCPWM_DUTY_MODE_MAX

Num of duty cycle modes

enum mcpwm_output_action_t

MCPWM select action to be taken on the output when event happens.

Values:

MCPWM_ACTION_NO_CHANGE = 0

No change in the output

MCPWM_ACTION_FORCE_LOW

Make output low

MCPWM_ACTION_FORCE_HIGH

Make output high

MCPWM_ACTION_TOGGLE

Make output toggle

enum mcpwm_deadtime_type_t

MCPWM deadtime types, used to generate deadtime, RED refers to rising edge delay and FED refers to falling edge delay.

Values:

MCPWM_DEADTIME_BYPASS = 0

Bypass the deadtime

MCPWM_BYPASS_RED

MCPWMXA = no change, MCPWMXB = falling edge delay

MCPWM_BYPASS_FED

MCPWMXA = rising edge delay, MCPWMXB = no change

MCPWM_ACTIVE_HIGH_MODE

MCPWMXA = rising edge delay, MCPWMXB = falling edge delay

MCPWM_ACTIVE_LOW_MODE

MCPWMXA = compliment of rising edge delay, MCPWMXB = compliment of falling edge delay

MCPWM_ACTIVE_HIGH_COMPLIMENT_MODE

MCPWMXA = rising edge delay, MCPWMXB = compliment of falling edge delay

MCPWM_ACTIVE_LOW_COMPLIMENT_MODE

MCPWMXA = compliment of rising edge delay, MCPWMXB = falling edge delay

MCPWM_ACTIVE_RED_FED_FROM_PWMXA

MCPWMXA = MCPWMXB = rising edge delay as well as falling edge delay, generated from MCPWMXA

MCPWM_ACTIVE_RED_FED_FROM_PWMXB

MCPWMXA = MCPWMXB = rising edge delay as well as falling edge delay, generated from MCPWMXB

MCPWM_DEADTIME_TYPE_MAX
enum mcpwm_sync_signal_t

MCPWM select sync signal input.

Values:

MCPWM_SELECT_SYNC0 = 4

Select SYNC0 as input

MCPWM_SELECT_SYNC1

Select SYNC1 as input

MCPWM_SELECT_SYNC2

Select SYNC2 as input

enum mcpwm_capture_on_edge_t

MCPWM select capture starts from which edge.

Values:

MCPWM_NEG_EDGE = BIT(0)

Capture the negative edge

MCPWM_POS_EDGE = BIT(1)

Capture the positive edge

Functions

警告

doxygenfunction: Unable to resolve multiple matches for function “_Static_assert” with arguments () in doxygen xml output for project “esp32-idf” from directory: xml_in/. Potential matches:

- _Static_assert(MCPWM_UNIT_MAX, "MCPWM unit number not equal to chip capabilities")
- _Static_assert(sizeof( ulp_insn_t ), "ULP coprocessor instruction size should be 4 bytes")
esp_err_t mcpwm_gpio_init(mcpwm_unit_t mcpwm_num, mcpwm_io_signals_t io_signal, int gpio_num)

This function initializes each gpio signal for MCPWM.

Note
This function initializes one gpio at a time.
Return
  • ESP_OK Success
  • ESP_ERR_INVALID_ARG Parameter error
Parameters
  • mcpwm_num: set MCPWM unit(0-1)
  • io_signal: set MCPWM signals, each MCPWM unit has 6 output(MCPWMXA, MCPWMXB) and 9 input(SYNC_X, FAULT_X, CAP_X) ‘X’ is timer_num(0-2)
  • gpio_num: set this to configure gpio for MCPWM, if you want to use gpio16, gpio_num = 16

esp_err_t mcpwm_set_pin(mcpwm_unit_t mcpwm_num, const mcpwm_pin_config_t *mcpwm_pin)

Initialize MCPWM gpio structure.

Note
This function can be used to initialize more then one gpio at a time.
Return
  • ESP_OK Success
  • ESP_ERR_INVALID_ARG Parameter error
Parameters
  • mcpwm_num: set MCPWM unit(0-1)
  • mcpwm_pin: MCPWM pin structure

esp_err_t mcpwm_init(mcpwm_unit_t mcpwm_num, mcpwm_timer_t timer_num, const mcpwm_config_t *mcpwm_conf)

Initialize MCPWM parameters.

Return
  • ESP_OK Success
  • ESP_ERR_INVALID_ARG Parameter error
Parameters
  • mcpwm_num: set MCPWM unit(0-1)
  • timer_num: set timer number(0-2) of MCPWM, each MCPWM unit has 3 timers.
  • mcpwm_conf: configure structure mcpwm_config_t

esp_err_t mcpwm_set_frequency(mcpwm_unit_t mcpwm_num, mcpwm_timer_t timer_num, uint32_t frequency)

Set frequency(in Hz) of MCPWM timer.

Return
  • ESP_OK Success
  • ESP_ERR_INVALID_ARG Parameter error
Parameters
  • mcpwm_num: set MCPWM unit(0-1)
  • timer_num: set timer number(0-2) of MCPWM, each MCPWM unit has 3 timers
  • frequency: set the frequency in Hz of each timer

esp_err_t mcpwm_set_duty(mcpwm_unit_t mcpwm_num, mcpwm_timer_t timer_num, mcpwm_generator_t gen, float duty)

Set duty cycle of each operator(MCPWMXA/MCPWMXB)

Return
  • ESP_OK Success
  • ESP_ERR_INVALID_ARG Parameter error
Parameters
  • mcpwm_num: set MCPWM unit(0-1)
  • timer_num: set timer number(0-2) of MCPWM, each MCPWM unit has 3 timers
  • gen: set the generator(MCPWMXA/MCPWMXB), ‘X’ is operator number selected
  • duty: set duty cycle in %(i.e for 62.3% duty cycle, duty = 62.3) of each operator

esp_err_t mcpwm_set_duty_in_us(mcpwm_unit_t mcpwm_num, mcpwm_timer_t timer_num, mcpwm_generator_t gen, uint32_t duty_in_us)

Set duty cycle of each operator(MCPWMXA/MCPWMXB) in us.

Return
  • ESP_OK Success
  • ESP_ERR_INVALID_ARG Parameter error
Parameters
  • mcpwm_num: set MCPWM unit(0-1)
  • timer_num: set timer number(0-2) of MCPWM, each MCPWM unit has 3 timers
  • gen: set the generator(MCPWMXA/MCPWMXB), ‘x’ is operator number selected
  • duty_in_us: set duty value in microseconds of each operator

esp_err_t mcpwm_set_duty_type(mcpwm_unit_t mcpwm_num, mcpwm_timer_t timer_num, mcpwm_generator_t gen, mcpwm_duty_type_t duty_type)

Set duty either active high or active low(out of phase/inverted)

Note
Call this function every time after mcpwm_set_signal_high or mcpwm_set_signal_low to resume with previously set duty cycle
Return
  • ESP_OK Success
  • ESP_ERR_INVALID_ARG Parameter error
Parameters
  • mcpwm_num: set MCPWM unit(0-1)
  • timer_num: set timer number(0-2) of MCPWM, each MCPWM unit has 3 timers
  • gen: set the generator(MCPWMXA/MCPWMXB), ‘x’ is operator number selected
  • duty_type: set active low or active high duty type

uint32_t mcpwm_get_frequency(mcpwm_unit_t mcpwm_num, mcpwm_timer_t timer_num)

Get frequency of timer.

Return
  • frequency of timer
Parameters
  • mcpwm_num: set MCPWM unit(0-1)
  • timer_num: set timer number(0-2) of MCPWM, each MCPWM unit has 3 timers

float mcpwm_get_duty(mcpwm_unit_t mcpwm_num, mcpwm_timer_t timer_num, mcpwm_operator_t gen)

Get duty cycle of each operator.

Return
  • duty cycle in % of each operator(56.7 means duty is 56.7%)
Parameters
  • mcpwm_num: set MCPWM unit(0-1)
  • timer_num: set timer number(0-2) of MCPWM, each MCPWM unit has 3 timers
  • gen: set the generator(MCPWMXA/MCPWMXB), ‘x’ is operator number selected

esp_err_t mcpwm_set_signal_high(mcpwm_unit_t mcpwm_num, mcpwm_timer_t timer_num, mcpwm_generator_t gen)

Use this function to set MCPWM signal high.

Return
  • ESP_OK Success
  • ESP_ERR_INVALID_ARG Parameter error
Parameters
  • mcpwm_num: set MCPWM unit(0-1)
  • timer_num: set timer number(0-2) of MCPWM, each MCPWM unit has 3 timers
  • gen: set the operator(MCPWMXA/MCPWMXB), ‘x’ is timer number selected

esp_err_t mcpwm_set_signal_low(mcpwm_unit_t mcpwm_num, mcpwm_timer_t timer_num, mcpwm_generator_t gen)

Use this function to set MCPWM signal low.

Return
  • ESP_OK Success
  • ESP_ERR_INVALID_ARG Parameter error
Parameters
  • mcpwm_num: set MCPWM unit(0-1)
  • timer_num: set timer number(0-2) of MCPWM, each MCPWM unit has 3 timers
  • gen: set the operator(MCPWMXA/MCPWMXB), ‘x’ is timer number selected

esp_err_t mcpwm_start(mcpwm_unit_t mcpwm_num, mcpwm_timer_t timer_num)

Start MCPWM signal on timer ‘x’.

Return
  • ESP_OK Success
  • ESP_ERR_INVALID_ARG Parameter error
Parameters
  • mcpwm_num: set MCPWM unit(0-1)
  • timer_num: set timer number(0-2) of MCPWM, each MCPWM unit has 3 timers

esp_err_t mcpwm_stop(mcpwm_unit_t mcpwm_num, mcpwm_timer_t timer_num)

Start MCPWM signal on timer ‘x’.

Return
  • ESP_OK Success
  • ESP_ERR_INVALID_ARG Parameter error
Parameters
  • mcpwm_num: set MCPWM unit(0-1)
  • timer_num: set timer number(0-2) of MCPWM, each MCPWM unit has 3 timers

esp_err_t mcpwm_carrier_init(mcpwm_unit_t mcpwm_num, mcpwm_timer_t timer_num, const mcpwm_carrier_config_t *carrier_conf)

Initialize carrier configuration.

Return
  • ESP_OK Success
  • ESP_ERR_INVALID_ARG Parameter error
Parameters
  • mcpwm_num: set MCPWM unit(0-1)
  • timer_num: set timer number(0-2) of MCPWM, each MCPWM unit has 3 timers
  • carrier_conf: configure structure mcpwm_carrier_config_t

esp_err_t mcpwm_carrier_enable(mcpwm_unit_t mcpwm_num, mcpwm_timer_t timer_num)

Enable MCPWM carrier submodule, for respective timer.

Return
  • ESP_OK Success
  • ESP_ERR_INVALID_ARG Parameter error
Parameters
  • mcpwm_num: set MCPWM unit(0-1)
  • timer_num: set timer number(0-2) of MCPWM, each MCPWM unit has 3 timers

esp_err_t mcpwm_carrier_disable(mcpwm_unit_t mcpwm_num, mcpwm_timer_t timer_num)

Disable MCPWM carrier submodule, for respective timer.

Return
  • ESP_OK Success
  • ESP_ERR_INVALID_ARG Parameter error
Parameters
  • mcpwm_num: set MCPWM unit(0-1)
  • timer_num: set timer number(0-2) of MCPWM, each MCPWM unit has 3 timers

esp_err_t mcpwm_carrier_set_period(mcpwm_unit_t mcpwm_num, mcpwm_timer_t timer_num, uint8_t carrier_period)

Set period of carrier.

Return
  • ESP_OK Success
  • ESP_ERR_INVALID_ARG Parameter error
Parameters
  • mcpwm_num: set MCPWM unit(0-1)
  • timer_num: set timer number(0-2) of MCPWM, each MCPWM unit has 3 timers
  • carrier_period: set the carrier period of each timer, carrier period = (carrier_period + 1)*800ns (carrier_period <= 15)

esp_err_t mcpwm_carrier_set_duty_cycle(mcpwm_unit_t mcpwm_num, mcpwm_timer_t timer_num, uint8_t carrier_duty)

Set duty_cycle of carrier.

Return
  • ESP_OK Success
  • ESP_ERR_INVALID_ARG Parameter error
Parameters
  • mcpwm_num: set MCPWM unit(0-1)
  • timer_num: set timer number(0-2) of MCPWM, each MCPWM unit has 3 timers
  • carrier_duty: set duty_cycle of carrier , carrier duty cycle = carrier_duty*12.5% (chop_duty <= 7)

esp_err_t mcpwm_carrier_oneshot_mode_enable(mcpwm_unit_t mcpwm_num, mcpwm_timer_t timer_num, uint8_t pulse_width)

Enable and set width of first pulse in carrier oneshot mode.

Return
  • ESP_OK Success
  • ESP_ERR_INVALID_ARG Parameter error
Parameters
  • mcpwm_num: set MCPWM unit(0-1)
  • timer_num: set timer number(0-2) of MCPWM, each MCPWM unit has 3 timers
  • pulse_width: set pulse width of first pulse in oneshot mode, width = (carrier period)*(pulse_width +1) (pulse_width <= 15)

esp_err_t mcpwm_carrier_oneshot_mode_disable(mcpwm_unit_t mcpwm_num, mcpwm_timer_t timer_num)

Disable oneshot mode, width of first pulse = carrier period.

Return
  • ESP_OK Success
  • ESP_ERR_INVALID_ARG Parameter error
Parameters
  • mcpwm_num: set MCPWM unit(0-1)
  • timer_num: set timer number(0-2) of MCPWM, each MCPWM unit has 3 timers

esp_err_t mcpwm_carrier_output_invert(mcpwm_unit_t mcpwm_num, mcpwm_timer_t timer_num, mcpwm_carrier_out_ivt_t carrier_ivt_mode)

Enable or disable carrier output inversion.

Return
  • ESP_OK Success
  • ESP_ERR_INVALID_ARG Parameter error
Parameters
  • mcpwm_num: set MCPWM unit(0-1)
  • timer_num: set timer number(0-2) of MCPWM, each MCPWM unit has 3 timers
  • carrier_ivt_mode: enable or disable carrier output inversion

esp_err_t mcpwm_deadtime_enable(mcpwm_unit_t mcpwm_num, mcpwm_timer_t timer_num, mcpwm_deadtime_type_t dt_mode, uint32_t red, uint32_t fed)

Enable and initialize deadtime for each MCPWM timer.

Return
  • ESP_OK Success
  • ESP_ERR_INVALID_ARG Parameter error
Parameters
  • mcpwm_num: set MCPWM unit(0-1)
  • timer_num: set timer number(0-2) of MCPWM, each MCPWM unit has 3 timers
  • dt_mode: set deadtime mode
  • red: set rising edge delay = red*100ns
  • fed: set rising edge delay = fed*100ns

esp_err_t mcpwm_deadtime_disable(mcpwm_unit_t mcpwm_num, mcpwm_timer_t timer_num)

Disable deadtime on MCPWM timer.

Return
  • ESP_OK Success
  • ESP_ERR_INVALID_ARG Parameter error
Parameters
  • mcpwm_num: set MCPWM unit(0-1)
  • timer_num: set timer number(0-2) of MCPWM, each MCPWM unit has 3 timers

esp_err_t mcpwm_fault_init(mcpwm_unit_t mcpwm_num, mcpwm_fault_input_level_t intput_level, mcpwm_fault_signal_t fault_sig)

Initialize fault submodule, currently low level triggering is not supported.

Return
  • ESP_OK Success
  • ESP_ERR_INVALID_ARG Parameter error
Parameters
  • mcpwm_num: set MCPWM unit(0-1)
  • intput_level: set fault signal level, which will cause fault to occur
  • fault_sig: set the fault pin, which needs to be enabled

esp_err_t mcpwm_fault_set_oneshot_mode(mcpwm_unit_t mcpwm_num, mcpwm_timer_t timer_num, mcpwm_fault_signal_t fault_sig, mcpwm_output_action_t action_on_pwmxa, mcpwm_output_action_t action_on_pwmxb)

Set oneshot mode on fault detection, once fault occur in oneshot mode reset is required to resume MCPWM signals.

Note
currently low level triggering is not supported
Return
  • ESP_OK Success
  • ESP_ERR_INVALID_ARG Parameter error
Parameters
  • mcpwm_num: set MCPWM unit(0-1)
  • timer_num: set timer number(0-2) of MCPWM, each MCPWM unit has 3 timers
  • fault_sig: set the fault pin, which needs to be enabled for oneshot mode
  • action_on_pwmxa: action to be taken on MCPWMXA when fault occurs, either no change or high or low or toggle
  • action_on_pwmxb: action to be taken on MCPWMXB when fault occurs, either no change or high or low or toggle

esp_err_t mcpwm_fault_set_cyc_mode(mcpwm_unit_t mcpwm_num, mcpwm_timer_t timer_num, mcpwm_fault_signal_t fault_sig, mcpwm_output_action_t action_on_pwmxa, mcpwm_output_action_t action_on_pwmxb)

Set cycle-by-cycle mode on fault detection, once fault occur in cyc mode MCPWM signal resumes as soon as fault signal becomes inactive.

Note
currently low level triggering is not supported
Return
  • ESP_OK Success
  • ESP_ERR_INVALID_ARG Parameter error
Parameters
  • mcpwm_num: set MCPWM unit(0-1)
  • timer_num: set timer number(0-2) of MCPWM, each MCPWM unit has 3 timers
  • fault_sig: set the fault pin, which needs to be enabled for cyc mode
  • action_on_pwmxa: action to be taken on MCPWMXA when fault occurs, either no change or high or low or toggle
  • action_on_pwmxb: action to be taken on MCPWMXB when fault occurs, either no change or high or low or toggle

esp_err_t mcpwm_fault_deinit(mcpwm_unit_t mcpwm_num, mcpwm_fault_signal_t fault_sig)

Disable fault signal.

Return
  • ESP_OK Success
  • ESP_ERR_INVALID_ARG Parameter error
Parameters
  • mcpwm_num: set MCPWM unit(0-1)
  • fault_sig: fault pin, which needs to be disabled

esp_err_t mcpwm_capture_enable(mcpwm_unit_t mcpwm_num, mcpwm_capture_signal_t cap_sig, mcpwm_capture_on_edge_t cap_edge, uint32_t num_of_pulse)

Initialize capture submodule.

Return
  • ESP_OK Success
  • ESP_ERR_INVALID_ARG Parameter error
Parameters
  • mcpwm_num: set MCPWM unit(0-1)
  • cap_edge: set capture edge, BIT(0) - negative edge, BIT(1) - positive edge
  • cap_sig: capture pin, which needs to be enabled
  • num_of_pulse: count time between rising/falling edge between 2 *(pulses mentioned), counter uses APB_CLK

esp_err_t mcpwm_capture_disable(mcpwm_unit_t mcpwm_num, mcpwm_capture_signal_t cap_sig)

Disable capture signal.

Return
  • ESP_OK Success
  • ESP_ERR_INVALID_ARG Parameter error
Parameters
  • mcpwm_num: set MCPWM unit(0-1)
  • cap_sig: capture pin, which needs to be disabled

uint32_t mcpwm_capture_signal_get_value(mcpwm_unit_t mcpwm_num, mcpwm_capture_signal_t cap_sig)

Get capture value.

Return
Captured value
Parameters
  • mcpwm_num: set MCPWM unit(0-1)
  • cap_sig: capture pin on which value is to be measured

uint32_t mcpwm_capture_signal_get_edge(mcpwm_unit_t mcpwm_num, mcpwm_capture_signal_t cap_sig)

Get edge of capture signal.

Return
Capture signal edge: 1 - positive edge, 2 - negtive edge
Parameters
  • mcpwm_num: set MCPWM unit(0-1)
  • cap_sig: capture pin of whose edge is to be determined

esp_err_t mcpwm_sync_enable(mcpwm_unit_t mcpwm_num, mcpwm_timer_t timer_num, mcpwm_sync_signal_t sync_sig, uint32_t phase_val)

Initialize sync submodule.

Return
  • ESP_OK Success
  • ESP_ERR_INVALID_ARG Parameter error
Parameters
  • mcpwm_num: set MCPWM unit(0-1)
  • timer_num: set timer number(0-2) of MCPWM, each MCPWM unit has 3 timers
  • sync_sig: set the synchronization pin, which needs to be enabled
  • phase_val: phase value in 1/1000 (for 86.7%, phase_val = 867) which timer moves to on sync signal

esp_err_t mcpwm_sync_disable(mcpwm_unit_t mcpwm_num, mcpwm_timer_t timer_num)

Disable sync submodule on given timer.

Return
  • ESP_OK Success
  • ESP_ERR_INVALID_ARG Parameter error
Parameters
  • mcpwm_num: set MCPWM unit(0-1)
  • timer_num: set timer number(0-2) of MCPWM, each MCPWM unit has 3 timers

esp_err_t mcpwm_isr_register(mcpwm_unit_t mcpwm_num, void (*fn)(void *), void *arg, int intr_alloc_flags, intr_handle_t *handle, )

Register MCPWM interrupt handler, the handler is an ISR. the handler will be attached to the same CPU core that this function is running on.

Return
  • ESP_OK Success
  • ESP_ERR_INVALID_ARG Function pointer error.
Parameters
  • mcpwm_num: set MCPWM unit(0-1)
  • fn: interrupt handler function.
  • arg: user-supplied argument passed to the handler function.
  • intr_alloc_flags: flags used to allocate the interrupt. One or multiple (ORred) ESP_INTR_FLAG_* values. see esp_intr_alloc.h for more info.
  • handle: pointer to return handle. If non-NULL, a handle for the interrupt will be returned here.

Structures

struct mcpwm_pin_config_t

MCPWM pin number for.

Public Members

int mcpwm0a_out_num

MCPWM0A out pin

int mcpwm0b_out_num

MCPWM0A out pin

int mcpwm1a_out_num

MCPWM0A out pin

int mcpwm1b_out_num

MCPWM0A out pin

int mcpwm2a_out_num

MCPWM0A out pin

int mcpwm2b_out_num

MCPWM0A out pin

int mcpwm_sync0_in_num

SYNC0 in pin

int mcpwm_sync1_in_num

SYNC1 in pin

int mcpwm_sync2_in_num

SYNC2 in pin

int mcpwm_fault0_in_num

FAULT0 in pin

int mcpwm_fault1_in_num

FAULT1 in pin

int mcpwm_fault2_in_num

FAULT2 in pin

int mcpwm_cap0_in_num

CAP0 in pin

int mcpwm_cap1_in_num

CAP1 in pin

int mcpwm_cap2_in_num

CAP2 in pin

struct mcpwm_config_t

MCPWM config structure.

Public Members

uint32_t frequency

Set frequency of MCPWM in Hz

float cmpr_a

Set % duty cycle for operator a(MCPWMXA), i.e for 62.3% duty cycle, duty_a = 62.3

float cmpr_b

Set % duty cycle for operator b(MCPWMXB), i.e for 48% duty cycle, duty_b = 48.0

mcpwm_duty_type_t duty_mode

Set type of duty cycle

mcpwm_counter_type_t counter_mode

Set type of MCPWM counter

struct mcpwm_carrier_config_t

MCPWM config carrier structure.

Public Members

uint8_t carrier_period

Set carrier period = (carrier_period + 1)*800ns, carrier_period should be < 16

uint8_t carrier_duty

Set carrier duty cycle, carrier_duty should be less than 8 (increment every 12.5%)

uint8_t pulse_width_in_os

Set pulse width of first pulse in one shot mode = (carrier period)*(pulse_width_in_os + 1), should be less then 16

mcpwm_carrier_os_t carrier_os_mode

Enable or disable carrier oneshot mode

mcpwm_carrier_out_ivt_t carrier_ivt_mode

Invert output of carrier

Macros

MCPWM_OPR_A

MCPWM_OPR_B

MCPWM_OPR_MAX

MCPWM_NO_CHANGE_IN_MCPWMXA

MCPWM_FORCE_MCPWMXA_LOW

MCPWM_FORCE_MCPWMXA_HIGH

MCPWM_TOG_MCPWMXA

MCPWM_NO_CHANGE_IN_MCPWMXB

MCPWM_FORCE_MCPWMXB_LOW

MCPWM_FORCE_MCPWMXB_HIGH

MCPWM_TOG_MCPWMXB

Type Definitions

typedef mcpwm_generator_t mcpwm_operator_t

typedef mcpwm_output_action_t mcpwm_action_on_pwmxa_t

typedef mcpwm_output_action_t mcpwm_action_on_pwmxb_t

Enumerations

enum mcpwm_io_signals_t

IO signals for the MCPWM.

  • 6 MCPWM output pins that generate PWM signals
  • 3 MCPWM fault input pins to detect faults like overcurrent, overvoltage, etc.
  • 3 MCPWM sync input pins to synchronize MCPWM outputs signals
  • 3 MCPWM capture input pins to gather feedback from controlled motors, using e.g. hall sensors

Values:

MCPWM0A = 0

PWM0A output pin

MCPWM0B

PWM0B output pin

MCPWM1A

PWM1A output pin

MCPWM1B

PWM1B output pin

MCPWM2A

PWM2A output pin

MCPWM2B

PWM2B output pin

MCPWM_SYNC_0

SYNC0 input pin

MCPWM_SYNC_1

SYNC1 input pin

MCPWM_SYNC_2

SYNC2 input pin

MCPWM_FAULT_0

FAULT0 input pin

MCPWM_FAULT_1

FAULT1 input pin

MCPWM_FAULT_2

FAULT2 input pin

MCPWM_CAP_0 = 84

CAP0 input pin

MCPWM_CAP_1

CAP1 input pin

MCPWM_CAP_2

CAP2 input pin

enum mcpwm_unit_t

Select MCPWM unit.

Values:

MCPWM_UNIT_0 = 0

MCPWM unit0 selected

MCPWM_UNIT_1

MCPWM unit1 selected

MCPWM_UNIT_MAX

Num of MCPWM units on ESP32

enum mcpwm_timer_t

Select MCPWM timer.

Values:

MCPWM_TIMER_0 = 0

Select MCPWM timer0

MCPWM_TIMER_1

Select MCPWM timer1

MCPWM_TIMER_2

Select MCPWM timer2

MCPWM_TIMER_MAX

Num of MCPWM timers on ESP32

enum mcpwm_generator_t

Select MCPWM operator.

Values:

MCPWM_GEN_A = 0

Select MCPWMXA, where ‘X’ is operator number

MCPWM_GEN_B

Select MCPWMXB, where ‘X’ is operator number

MCPWM_GEN_MAX

Num of generators to each operator of MCPWM

enum mcpwm_carrier_os_t

MCPWM carrier oneshot mode, in this mode the width of the first pulse of carrier can be programmed.

Values:

MCPWM_ONESHOT_MODE_DIS = 0

Enable oneshot mode

MCPWM_ONESHOT_MODE_EN

Disable oneshot mode

enum mcpwm_carrier_out_ivt_t

MCPWM carrier output inversion, high frequency carrier signal active with MCPWM signal is high.

Values:

MCPWM_CARRIER_OUT_IVT_DIS = 0

Enable carrier output inversion

MCPWM_CARRIER_OUT_IVT_EN

Disable carrier output inversion

enum mcpwm_fault_signal_t

MCPWM select fault signal input.

Values:

MCPWM_SELECT_F0 = 0

Select F0 as input

MCPWM_SELECT_F1

Select F1 as input

MCPWM_SELECT_F2

Select F2 as input

enum mcpwm_fault_input_level_t

MCPWM select triggering level of fault signal.

Values:

MCPWM_LOW_LEVEL_TGR = 0

Fault condition occurs when fault input signal goes from high to low, currently not supported

MCPWM_HIGH_LEVEL_TGR

Fault condition occurs when fault input signal goes low to high

enum mcpwm_capture_signal_t

MCPWM select capture signal input.

Values:

MCPWM_SELECT_CAP0 = 0

Select CAP0 as input

MCPWM_SELECT_CAP1

Select CAP1 as input

MCPWM_SELECT_CAP2

Select CAP2 as input