Sigma-delta Modulation

Introduction

ESP32-S3 has a second-order sigma-delta modulation module. This driver configures the channels of the sigma-delta module.

Functionality Overview

There are 8 independent sigma-delta modulation channels identified with sigmadelta_channel_t. Each channel is capable to output the binary, hardware generated signal with the sigma-delta modulation.

Selected channel should be set up by providing configuration parameters in sigmadelta_config_t and then applying this configuration with sigmadelta_config().

Another option is to call individual functions, that will configure all required parameters one by one:

The range of the ‘duty’ input parameter of sigmadelta_set_duty() is from -128 to 127 (eight bit signed integer). If zero value is set, then the output signal’s duty will be about 50%, see description of sigmadelta_set_duty().

Convert to analog signal (Optional)

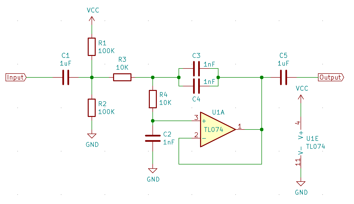
Typically, if the sigma-delta signal is connected to an LED, you don’t have to add any filter between them (because our eyes are a low pass filter naturally). However, if you want to check the real voltage or watch the analog waveform, you need to design an analog low pass filter. Also, it is recommended to use an active filter instead of a passive filter to gain better isolation and not lose too much voltage.

For example, you can take the following Sallen-Key topology Low Pass Filter as a reference.

Sallen-Key Low Pass Filter

Sallen-Key Low Pass Filter

Application Example

Sigma-delta Modulation example: peripherals/sigmadelta.

API Reference

Functions

esp_err_t sigmadelta_config(const sigmadelta_config_t *config)

Configure Sigma-delta channel.

Return

  • ESP_OK Success

  • ESP_ERR_INVALID_STATE sigmadelta driver already initialized

  • ESP_ERR_INVALID_ARG Parameter error

Parameters
  • config: Pointer of Sigma-delta channel configuration struct

esp_err_t sigmadelta_set_duty(sigmadelta_channel_t channel, int8_t duty)

Set Sigma-delta channel duty.

This function is used to set Sigma-delta channel duty, If you add a capacitor between the output pin and ground, the average output voltage will be Vdc = VDDIO / 256 * duty + VDDIO/2, where VDDIO is the power supply voltage.

Return

  • ESP_OK Success

  • ESP_ERR_INVALID_STATE sigmadelta driver has not been initialized

  • ESP_ERR_INVALID_ARG Parameter error

Parameters
  • channel: Sigma-delta channel number

  • duty: Sigma-delta duty of one channel, the value ranges from -128 to 127, recommended range is -90 ~ 90. The waveform is more like a random one in this range.

esp_err_t sigmadelta_set_prescale(sigmadelta_channel_t channel, uint8_t prescale)

Set Sigma-delta channel’s clock pre-scale value. The source clock is APP_CLK, 80MHz. The clock frequency of the sigma-delta channel is APP_CLK / pre_scale.

Return

  • ESP_OK Success

  • ESP_ERR_INVALID_STATE sigmadelta driver has not been initialized

  • ESP_ERR_INVALID_ARG Parameter error

Parameters
  • channel: Sigma-delta channel number

  • prescale: The divider of source clock, ranges from 0 to 255

esp_err_t sigmadelta_set_pin(sigmadelta_channel_t channel, gpio_num_t gpio_num)

Set Sigma-delta signal output pin.

Return

  • ESP_OK Success

  • ESP_ERR_INVALID_STATE sigmadelta driver has not been initialized

  • ESP_ERR_INVALID_ARG Parameter error

Parameters
  • channel: Sigma-delta channel number

  • gpio_num: GPIO number of output pin.

Structures

struct sigmadelta_config_t

Sigma-delta configure struct.

Public Members

sigmadelta_channel_t channel

Sigma-delta channel number

int8_t sigmadelta_duty

Sigma-delta duty, duty ranges from -128 to 127.

uint8_t sigmadelta_prescale

Sigma-delta prescale, prescale ranges from 0 to 255.

uint8_t sigmadelta_gpio

Sigma-delta output io number, refer to gpio.h for more details.

Enumerations

enum sigmadelta_port_t

SIGMADELTA port number, the max port number is (SIGMADELTA_NUM_MAX -1).

Values:

enum sigmadelta_channel_t

Sigma-delta channel list.

Values: