ESP32-LCDKit
概述
ESP32-LCDKit 是一款以乐鑫 ESP32-DevKitC(需另采购) 为核心的 HMI(人机交互)开发板,可外接屏幕,并且集成了 SD-Card、DAC-Audio 等外设,主要用于 HMI 相关开发与评估。开发板预留屏幕接口类型:SPI 串行接口、8 位并行接口、16 位并行接口。
HMI Example 这里提供的一些 HMI 示例可在 ESP32-LCDKit 开发板上运行。
关于 ESP32 详细信息,请参考文档 《ESP32系列芯片技术规格书》。
ESP32-LCDKit
电路设计说明
系统框图
ESP32-LCDKit 开发板的系统框图如下所示:
ESP32-LCDKit 系统框图
PCB 布局
ESP32-LCDKit 开发板的 PCB 布局如下所示:
ESP32-LCDKit PCB 布局
PCB 部件功能说明如下表所示:
PCB 部件 |
说明 |
|---|---|
屏幕连接模块 |
连接串行或者并行(8/16 bit)屏幕 |
ESP32 DevKitC 开发板连接模块 |
与 ESP32 DevKitC 开发板连接 |
SD-Card 模块 |
连接 SD-Card,扩展存储 |
DAC-Audio 模块 |
连接喇叭播放音频,包含音频功率放大器 |
数据位选择跳冒 |
用于选择所用并行屏幕的数据位宽(8/16 bit) |
硬件模块
本章主要介绍各个功能模块(接口)的硬件实现,以及对这些模块的描述。
ESP32 DevKitC 开发板连接模块
使用 ESP32-LCDKit 开发板进行 HMI 相关开发时需要搭配使用 ESP32 DevKitC 开发板。
ESP32-LCDKit 开发板与 ESP32 DevKitC 开发板连接模块电路原理图如下所示:
ESP32 DevKitC 连接模块
电源管理
USB 供电管理模块电路图如下所示:
ESP32-LCDKit 供电管理模块
屏幕连接模块
以下接口可供选择使用:
SPI 串行接口
8 位并行接口
16 位并行接口
开发板采用两种不同的连接插座,可以将不同屏幕接至 ESP32-LCDKit 开发板上,以实现 ESP32 模组对屏幕的操作。
外接屏幕电路原理图如下所示:
ESP32-LCDKit 外接屏幕模块
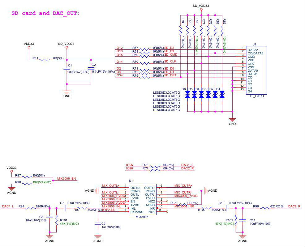
SD-Card、DAC-Audio 外设模块
开发板支持外接 SD-Card 以扩展存储,并且有 MIX3006 功率放大器,可以外接喇叭播放音频。
SD-Card、DAC-Audio 外设模块电路原理图如下所示:
SD-Card 与 DAC-Audio 外设