ESP-SensairShuttle v1.0

[English]

备注

请查看主板上的丝印版本号(在主板正面或背面右上角白色圆环内),以确认您的开发板版本。对于 v1.0 版本的开发板,请参考当前用户指南。

本指南将帮助您快速上手 ESP-SensairShuttle,并提供该款开发板的详细信息。

ESP-SensairShuttle 是乐鑫携手 Bosch Sensortec 面向 动作感知大模型人机交互 场景联合推出的开发板,致力于推动多模态感知与智能交互技术的深度融合。该平台覆盖 AI 玩具、智能家居、运动健康、智慧办公 等典型应用场景,支持从环境感知、行为理解到智能反馈的完整技术链路,为新一代智能终端提供更自然、更实时、更智能的交互体验。

ESP-SensairShuttle 主控采用乐鑫 ESP32-C5-WROOM-1-N16R8 模组,具有 2.4 & 5 GHz 双频 Wi-Fi 6 (802.11ax)、Bluetooth® 5 (LE)、Zigbee 及 Thread (802.15.4) 无线通信能力。此外,主板提供丰富的外设接口,包括 Bosch Sensortec Shuttle Board (仅支持 shuttle board 3.0 版本)接口、麦克风与扬声器接口 以及 电池供电接口。用户可通过更换不同的 Shuttle 传感器子板(乐鑫官方支持 BME690 以及 BMI270 & BMM350 子板),灵活实现对 空气质量、手势动作、姿态方向及磁场信息 等多维度感知,适用于教学演示、算法验证及多场景原型开发。

音频方面,ESP-SensairShuttle 支持外接麦克风与扬声器,可无缝对接各类 大语言模型,实现自然流畅的 AI 语音交互能力,适用于 AI 玩具、智能音箱、智能中控面板 等需要大模型赋能的语音交互类产品。

本指南包括如下内容:

  • 入门指南:简要介绍了开发板和硬件、软件设置指南。

  • 硬件参考:详细介绍了开发板的硬件。

  • 硬件版本:介绍硬件历史版本和已知问题(如有)。

  • 相关文档:列出了相关文档的链接。

备注

关于出厂固件的使用说明,请参考 ESP-SensairShuttle 用户指南

入门指南

本小节将简要介绍 ESP-SensairShuttle,说明如何在 ESP-SensairShuttle 上烧录固件及相关准备工作。

组件介绍

SensairShuttle-Mainboard PCB 正面图(点击放大)

SensairShuttle-Mainboard PCB 正面图(点击放大)

ShuttleBoard-BME690 PCB 正面图(点击放大)

ShuttleBoard-BME690 PCB 正面图(点击放大)

ShuttleBoard-BMI270&BMM350 PCB 正面图(点击放大)

ShuttleBoard-BMI270&BMM350 PCB 正面图(点击放大)

ESP-SensairShuttle 配套 LCD 屏幕实物图(点击放大)

ESP-SensairShuttle 配套 LCD 屏幕实物图(点击放大)

以下按照顺时针的顺序依次介绍正面 PCB 上的主要组件。

主要组件

描述

MainBoard (主板)

External Pin Interface(外置引脚接口)

4 pin 的外置引脚接口,自上而下分别是 GPIO5、GPIO4、VDD、GND。注:GPIO5 默认不可用,若需使用,请将 R14 电阻上件。

I2C Interface(外置 I2C 接口)

4 pin 的外置 I2C 接口,可接入支持 I2C 协议通信的设备。

RGB Interface(外置 RGB 灯带接口)

3 pin 的外置 RGB 灯带接口,可接 WS2812 等 RGB 灯带。

ESP32-C5-WROOM-1-N16R8

主控模组,集成 16 MB Flash 和 8 MB PSRAM,具备 2.4 & 5 GHz 双频 Wi-Fi 6 (802.11ax)、Bluetooth® 5 (LE)、Zigbee 及 Thread (802.15.4) 无线通信能力。

LCD Connector(LCD 连接器)

用于连接 LCD 屏幕,分辨率为 240(H) x 284(V)。

Boot Button(Boot 按键)

用于手动进入下载模式,也可用作普通功能按键。

Power Indicator LED(电源指示灯)

用于指示设备电源状态,指示状态详见 电源选项 小节。

Power Switch(电源开关)

用于控制设备开关机,单击电源开关即可切换开关机状态。

BME690 传感器子板

BME690 传感器

博世 BME690 气体传感器,可检测空气质量,包括温度、湿度、气压、气体电阻,支持 I2C 与 SPI 协议通信。

BMI270&BMM350 传感器子板

BMI270 传感器

博世 BMI270 惯性测量单元,可检测三轴加速度与三轴角速度,支持 I2C 与 SPI 协议通信。

BMM350 传感器

博世 BMM350 地磁传感器,可检测三轴地磁场强度,支持 I2C 协议通信。

LCD Screen(LCD 屏幕)

配套 LCD 屏幕,型号为 ST7789P3,尺寸为 1.83 英寸,分辨率为 240(H) x 284(V),采用 4-line SPI 接口通信。屏幕通过 LCD 连接器与主板连接,支持通过 GPIO5 (PWR_CTRL) 控制屏幕电源开关。

SensairShuttle-Mainboard PCB 背面图(点击放大)

SensairShuttle-Mainboard PCB 背面图(点击放大)

ShuttleBoard-BME690 PCB 背面图(点击放大)

ShuttleBoard-BME690 PCB 背面图(点击放大)

ShuttleBoard-BMI270&BMM350 PCB 背面图(点击放大)

ShuttleBoard-BMI270&BMM350 PCB 背面图(点击放大)

以下按照顺时针的顺序依次介绍背面 PCB 上的主要组件。

主要组件

描述

MainBoard (主板)

Battery Connector(电池连接器)

电池连接器,可外接一个 3.7V 锂电池,采用 HC-1.25-2P 线对板连接器。

Mic Connector(麦克风连接器)

2 线麦克风连接器,可外接一个模拟麦克风,采用 HC-1.25-2P 线对板连接器。

Shuttle Board Connector(子板连接器)

9+7 pin 1.27mm 排母连接器,可连接 ShuttleBoard-BME690、ShuttleBoard-BMI270&BMM350 等传感器子板。

Speaker Connector(扬声器连接器)

2 线扬声器连接器,可外接一个扬声器,采用 HC-1.25-2P 线对板连接器。

Type-C Port(USB-C 接口)

USB-C 接口,用于供电、程序烧录和调试,支持对锂电池进行充电。

BME690 传感器子板

传感器子板各针脚定义已在图中标出。

BMI270&BMM350 传感器子板

传感器子板各针脚定义已在图中标出。

应用示例

以下为开发板的应用示例:

  • ESP-SensairShuttle Factory Demo - 基于 ESP-Brookesia 框架的全功能演示系统,展示应用式 UI 管理与多个演示应用(如指南针、温度与空气质量监测、手势识别等)。

更多示例及最新更新请参阅 examples 文件夹。

如需尝试应用示例或开发自定义应用,请参照 开始开发应用 小节中的步骤进行操作。

开始开发应用

通电前,请确保 ESP-SensairShuttle 完好无损。

必备硬件

  • ESP-SensairShuttle 主板、ShuttleBoard-BME690 子板、ShuttleBoard-BMI270&BMM350 子板、LCD 屏幕

  • USB 数据线

  • 电脑(Windows、Linux 或 macOS)

备注

请确保使用适当的 USB 数据线。部分数据线仅可用于充电,无法用于数据传输和编程。

硬件设置

LCD 屏幕排线安装

在开始使用开发板之前,请按照以下步骤安装 LCD 屏幕排线:

  1. 确认排线方向:将 LCD 屏幕排线的金手指面朝上,确保排线方向正确(屏幕排线上的引脚标号[18]应和 PCB 板上的引脚标号[18]相对应)。

  2. 插入排线:预先松开 LCD 连接器的黑色锁扣,将屏幕排线插入主板的 LCD 连接器,插入时请确保屏幕排线与连接器对齐,徒手插装不便时可使用 镊子 辅助。

  3. 锁定连接器:将 LCD 连接器黑色锁扣锁紧,确保屏幕排线稳固连接。

LCD 屏幕排线安装示意图(点击放大)

LCD 屏幕排线安装示意图(点击放大)

警告

  • 安装排线时请勿用力过猛,避免损坏排线或连接器。

  • 确保排线方向正确,错误的方向将导致屏幕不亮。

  • 如需拔出排线,请先解锁连接器,然后轻轻拔出,避免直接拉扯排线。

USB 连接

使用 USB 数据线将 ESP-SensairShuttle 连接到电脑,通过 Type-C(USB-C 接口) 烧录固件、调试和供电。

软件设置

请前往 ESP-IDF 快速入门 小节查看如何快速设置开发环境,将应用程序烧录至您的开发板。

备注

开发板使用 USB 端口与电脑通信。大多数操作系统(Windows、Linux、macOS)已预装所需驱动,开发板插入后可自动识别。如无法识别设备或无法建立串口连接,请参考 如何建立串口连接 获取安装驱动的详细步骤。

硬件参考

功能框图

ESP-SensairShuttle 的主要组件和连接方式如下图所示。

ESP-SensairShuttle 功能框图(点击放大)

ESP-SensairShuttle 功能框图(点击放大)

电源选项

可通过以下方法为开发板供电:

  1. 通过 Type-C(USB-C 接口) 供电

    使用该方法供电时,使用 USB Type-C 数据线连接设备上 Type-C 接口。 若未安装锂电池,电源指示灯亮绿色。若已安装锂电池,需按下 POWER 按键将设备开机,此时电源指示灯为黄色(电池正在充电)或者绿色(电池已充满)。

  2. 通过 电池 供电

设备可外接一个 3.7V 锂电池,按下 POWER 按键即可对设备进行供电,电源指示灯亮绿色表示设备已开机,不亮表示设备已关机。

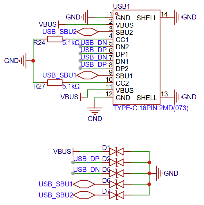
Type-C 接口

Type-C 接口电路图(点击放大)

Type-C 接口电路图(点击放大)

LCD 接口

LCD 接口电路图(点击放大)

LCD 接口电路图(点击放大)

X1 接口为正式使用的 LCD 屏幕接口。该开发板配套的 LCD 屏幕规格如下:

  • 屏幕尺寸:1.83 英寸

  • 分辨率:240(H) x 284(V)

  • 驱动芯片:ST7789P3

  • 通信接口:4-line SPI Interface

  • 电源控制:支持通过 PWR_CTRL (GPIO5) 控制屏幕电源开关

更多详细信息请参考 显示屏规格书

开关机电路

开关机电路图(点击放大)

开关机电路图(点击放大)

充电电路

充电电路图(点击放大)

充电电路图(点击放大)

Shuttle Board 接口电路

Shuttle Board 接口电路图(点击放大)

Shuttle Board 接口电路图(点击放大)

I2C/RGB/外置引脚接口

I2C/RGB/外置引脚接口电路图(点击放大)

I2C/RGB/外置引脚接口电路图(点击放大)

硬件版本

无历史版本。