测量开发板功耗

[English]

测试说明

功耗是影响产品开发的一个重要因素。但在开发初期,开发者可能因测量方式不当或未采用正确配置,导致测得的数据与 datasheet 偏差较大,从而影响前期评估。

本文档旨在帮助开发者快速、正确地进行前期功耗测量。

整个测量流程主要包括两个方面:

  • 测量时的硬件连线

  • 软件相关配置

在进行低功耗应用评估时,建议直接对 模组进行飞线测试。模组功耗测试方法请参考 测量模组功耗。 如果直接使用开发板进行测量,测得的电流通常会比 datasheet 偏大。

若必须使用开发板测量,可通过以下几种方式处理开发板,以获得更接近真实功耗的数据。

开发板取跳帽测试

对于 ESP32-C6 及以后系列的开发板,包括 ESP32-C6, ESP32-H2, ESP32-C5, ESP32-C61等,开发板上预留了一个跳帽位置,可通过取下跳帽进行电流测量。

ESP32-C6-DevKitC-1 为例说明。

Step 1:取下开发板正面的跳帽

跳帽位置示意图

Step 3:开发板继续使用 USB 供电,将电流表两端分别连接接在跳帽原有位置的两个管脚即可测量通过模组的电流。

连线示意图

开发板割线测试

对于不含跳帽的开发板,包括 ESP32, ESP32-S2, ESP32-S3, ESP32-C3, ESP8684 系列等,可采用以下方式。

Step 1:割断开发板背面的电流通路,一般为最粗的那根线。

割线示意图

Step 2:在开发板正面的电源芯片处飞一根线出来。

飞线示意图

Step 3:开发板继续使用 USB 供电,将电流表两端分别连接接在引出来的线和开发板上的 3V3 管脚即可测量通过模组的电流。

连线示意图

开发板去电阻测试

ESP32-S3-DevKitC-1 为例说明。

Step 1:去除正面的 R24(0 欧电阻)

去除电阻实物图

去除电阻示意图

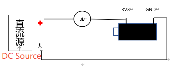
Step 2:去除电阻后,将电流表的一端接在 3V3 直流源输入上,另一端接在开发板的 3V3 引脚,同时将开发板的 GND 接在直流输入源的 GND 上,接线如下图所示:

去除电阻测量连线示意图

以下为使用另一块 ESP32 作为直流源的实物连接示意:

去除电阻实物连线示意图

总结

  1. 对于需要外接晶振的应用,由于开发板上本身不带有晶振接口,如果想简单测试一下,可以焊一个晶振在 datasheet 标注的管脚 XTAL_32K_PXTAL_32K_N 两端。

  2. 割线测试时需谨慎,避免割断其他线路。

  3. 目前去电阻方法仅适用于体型较大的开发板:

    • 支持:ESP32 / ESP32-S2 / ESP32-S3

    • 不支持:ESP32-C3 / ESP8684(没有 R24 0欧电阻)

  4. 使用去电阻方式测量时不要使用 USB 供电,UART 口可能引入额外电源干扰