原理图设计
概述
ESP32-P4 系列芯片的核心电路只需要 40 个左右的电阻电容电感和 1 个无源晶振,以及 1 个 SPI flash, 1 个 DCDC。为了能够更好地保证 ESP32-P4 系列芯片的工作性能,本章将详细介绍 ESP32-P4 系列芯片的原理图设计。
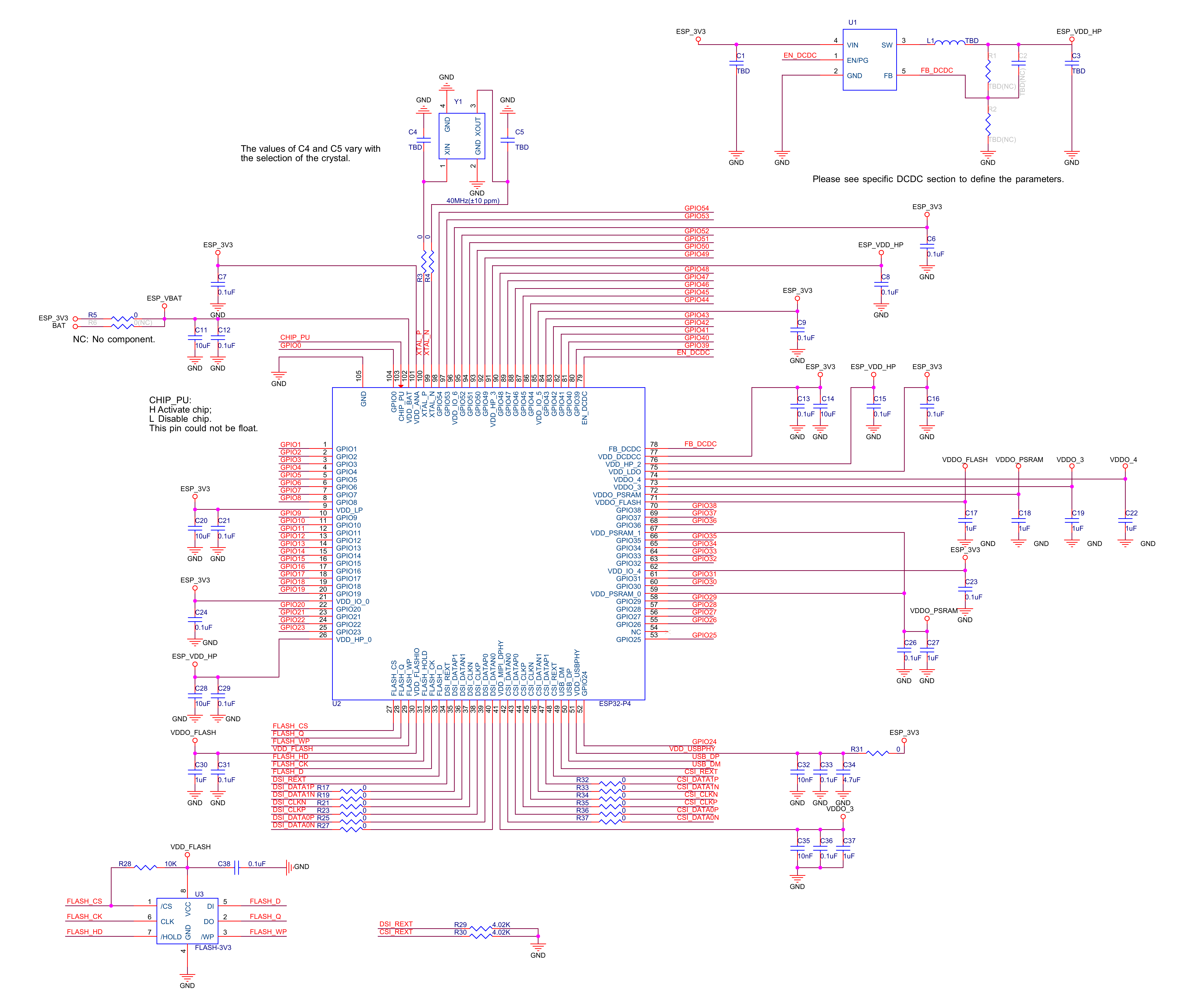
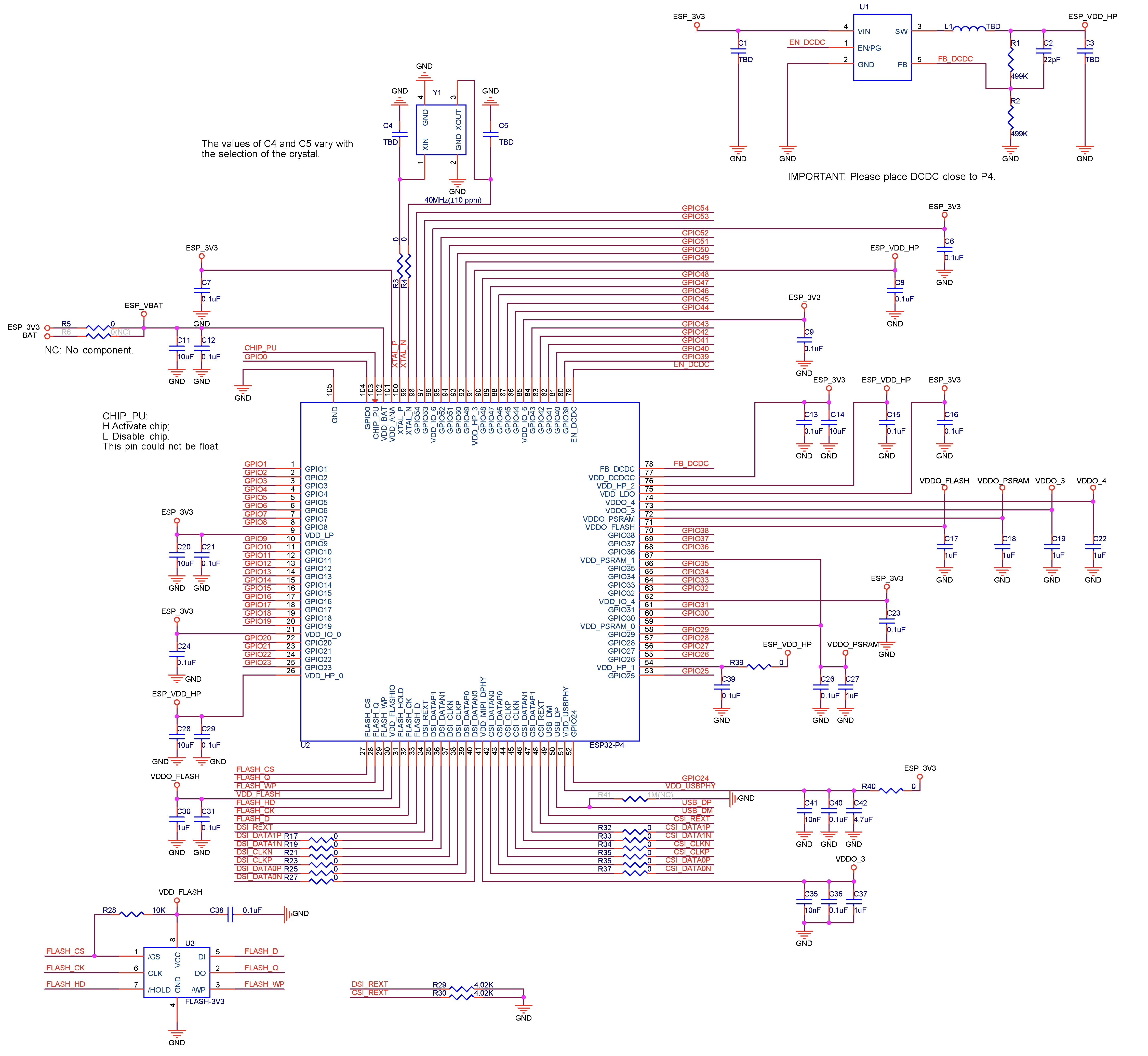
下图所示为 ESP32-P4 的核心电路参考设计,可以将它作为原理图设计的基础。

ESP32-P4 系列芯片参考设计原理图
ESP32-P4 系列芯片的核心电路图的设计有以下重要组成部分:
下文将分别对这些部分进行描述。
电源
电源电路设计的通用要点有:
使用单电源供电时,建议供给 ESP32-P4 的电源电压为 3.3 V。
ESP32-P4 的基本供电电流至少为 430 mA(含 flash 和 PSRAM),各个外设的供电电流请参考 HP/LP IO 电源, MIPI PHY 电源 和 USB PHY 电源。请根据具体应用选择合适的电源芯片。
建议在各个总电源入口处添加 10 μF 电容。
电源管理如图 ESP32-P4 系列芯片电源管理 所示。

ESP32-P4 系列芯片电源管理
有关电源管脚的更多信息,请查看 ESP32-P4 系列芯片技术规格书 > 章节 电源。
HP/LP IO 电源
管脚序号 |
管脚名称 |
管脚方向 |
电压范围 (V) |
最大拉电流 (mA) |
IO 管脚 |
管脚处电容 (μF) |
---|---|---|---|---|---|---|
9 |
VDD_LP |
输入 |
3.0 ~ 3.6 |
100 |
LP IO |
0.1 |
21 |
VDD_IO_0 |
输入 |
1.65 ~ 1.95/3.0 ~ 3.6 |
100 |
HP IO |
0.1 |
62 |
VDD_IO_4 |
输入 |
1.65 ~ 1.95/3.0 ~ 3.6 |
100 |
HP IO |
0.1 |
85 |
VDD_IO_5 1 |
输入 |
1.65 ~ 1.95/3.0 ~ 3.6 |
100 |
HP IO |
0.1 |
96 |
VDD_IO_6 |
输入 |
1.65 ~ 1.95/3.0 ~ 3.6 |
100 |
HP IO |
0.1 |
MIPI PHY 电源
ESP32-P4 的管脚 VDD_MIPI_DPHY 为 MIPI PHY 电源管脚,工作电压范围为 2.25 V ~ 2.75 V,最大电流功耗为 50 mA。推荐使用内部电压稳压器供电,建议在电路中靠近 VDD_MIPI_DPHY 管脚处添加 10 nF + 0.1 μF + 1 μF。
如果不需要 MIPI 功能,管脚 VDD_MIPI_DPHY 可以悬空。
注意
MIPI 信号电平由 MIPI 协议规定,具体可以查阅 MIPI 协议相关文档,和 MIPI DPHY 电平是两个概念。摄像头/显示屏规格书中提到的 1.8 V/3.3 V 指的是除 MIPI 信号 (Data Lane & CLK) 之外的信号电平,如 MCLK 和 I2C 等。MIPI 信号电平由 ESP32-P4 内部 MIPI DPHY 自行处理,无需额外配置。
USB PHY 电源
ESP32-P4 的管脚 VDD_USBPHY 为 USB PHY 电源管脚,工作电压范围为 2.97 V ~ 3.63 V,最大电流功耗为 20 mA。建议在电路中靠近 VDD_USBPHY 电源管脚处添加 10 nF + 0.1 μF + 4.7 μF。
如果不需要高速 USB 2.0 OTG 功能,管脚 VDD_USBPHY 可以悬空。如果使用了该电源,并且对功耗有要求,因为该电源无法完全关闭,在低功耗模式下有额外的耗电,建议添加一个 MOSFET 电路完全关断和外部电源的连接。初始可以预留一个串联电阻在 VDD_USBPHY 上。

VDD_USBPHY 电路参考设计
Flash 和 PSRAM IO 电源
ESP32-P4 的管脚 VDD_FLASHIO 为 FLASH IO 电源管脚,工作电压范围为 1.65 V ~ 1.95 V/3.0 V ~ 3.6 V。该电源由内部电压稳压器输出 VDDO_FLASH 提供,建议在电路中靠近 VDD_FLASHIO 电源管脚处添加 0.1 μF + 1 μF。
管脚 VDD_PSRAM_0 和 VDD_PSRAM_1 为 PSRAM IO 电源管脚,工作电压范围为 1.65 V ~ 1.95 V。该电源由内部电压稳压器输出 VDDO_PSRAM 提供,建议在电路中靠近 VDD_PSRAM_0 和VDD_PSRAM_1 电源管脚处添加 0.1 μF + 1 μF。
模拟电源
ESP32-P4 的管脚 VDD_ANA 为模拟电源管脚,工作电压范围为 3.0 V ~ 3.6 V。建议在电路中靠近 VDD_ANA 电源管脚处添加 0.1 μF。管脚 VDD_BAT 为模拟电源管脚,工作电压范围为 3.0 V ~ 3.6 V,建议在电路中靠近 VDD_ANA 电源管脚处添加 0.1 μF + 10 μF。
VDD_BAT 电源管脚不可悬空,可外接电池,请参考 ESP32-P4 备用电池供电方案。
数字电源
ESP32-P4 的管脚 VDD_HP_0、管脚 VDD_HP_2 和管脚 VDD_HP_3 为数字电源管脚,工作电压范围为 0.99 V ~ 1.3 V。该电源由外部 DCDC 输出 ESP_VDD_HP 提供,建议在总电源处添加 10 uF,在各个电源管脚处添加 0.1 μF。
内部电压稳压器和外部 DCDC
ESP32-P4 的管脚 VDD_LDO 为内部电压稳压器提供电源,工作电压范围为 3.0 V ~ 3.6 V。管脚 VDD_DCDCC 为 DCDC 控制部分提供电源,工作电压范围为 3.0 V ~ 3.6 V。因为管脚电流较大,请在 VDD_LDO 和 VDD_DCDCC 的电源走线上放置一个 10 μF 电容,再在各个管脚处添加 0.1 μF。
内部电压稳压器输出 VDDO_FLASH 给外部 flash 供电,默认输出 3.3 V 电压,可以通过烧写 EFUSE_0PXA_TIEH_SEL_0 使 VDDO_FLASH 输出 1.8 V。
备注
在 eFuse 配置之前,VDDO_FLASH 默认输出 3.3 V 电压,此时接到 1.8 V flash 会有风险。因此,使用 1.8 V flash 时,建议在 VDDO_FLASH 和 VDD_FLASHIO 之间加一个跳帽,直到 VDDO_FLASH 电压确认为 1.8 V 之后再供电给 flash。
VDDO_FLASH 电源 |
EFUSE_0PXA_TIEH_SEL_0 |
电压 |
---|---|---|
flash 稳压器 |
0 |
3.3 V |
2 |
1.8 V |
内部电压稳压器输出 VDDO_PSRAM 给内部 PSRAM 供电,输出典型值为 1.9 V 电压,需要软件配置,默认输出 0。
内部电压稳压器输出 VDDO_3/4 给外设供电,最大输出电流50 mA,输出电压范围为 0.5 V ~ 2.7 V/3.3 V,需要软件配置,默认输出 0。
软件配置请参考 低压差线性稳压器 (LDO)。
建议在电路中靠近 VDDO_FLASH、VDDO_PSRAM、VDDO_3/4 电源管脚处添加 1 μF。
VDD_HP_0/2/3 系列电源由外部 DCDC 供电,其中:
外部 DCDC 的输入和 VDD_DCDCC 电源一致。
管脚 EN_DCDC 为外部 DCDC 的使能管脚。在下载模式和没有固件的情况下,EN_DCDC 电压为 0。正常启动固件后,EN_DCDC 由内部控制。在下载模式下,EN_DCDC 电压为 0。在睡眠模式下,可以通过管脚 EN_DCDC 关闭该系列的电源从而降低功耗。
管脚 FB_DCDC 为外部 DCDC 的反馈管脚。
EN_DCDC 和 FB_DCDC 默认由 ESP32-P4 内部完全控制,因此两个管脚请悬空。可以预留反馈电阻和反馈电容,但是请不要上件,注意 DCDC 需要靠近 ESP32-P4 放置。
请使用验证过的 DCDC 型号:ETA3485/SY8088/RY3420/TLV62569。输入、输出和电感参数请按照具体的规格书设计,下图为 TLV62569 的电路设计。

TLV62569 电路参考设计
上电时序与复位
ESP32-P4 的 CHIP_PU 管脚为高电平时使能芯片,为低电平时复位芯片。
当 ESP32-P4 使用 3.3 V 系统电源供电时,电源轨需要一些时间才能稳定,之后才能拉高 CHIP_PU,激活芯片。因此,CHIP_PU 管脚上电要晚于系统电源 3.3 V 上电。
复位芯片时,复位电压 VIL_nRST 范围应为 (–0.3 ~ 0.25 × VDD_BAT) V。为防止外界干扰引起重启,CHIP_PU 管脚引线需尽量短一些。
图 ESP32-P4 系列芯片上电和复位时序图 为 ESP32-P4 系列芯片的上电、复位时序图。

ESP32-P4 系列芯片上电和复位时序图
上电和复位时序参数说明见表 上电和复位时序参数说明。
参数 |
说明 |
最小值 (µs) |
---|---|---|
tSTBL |
CHIP_PU 管脚上电晚于电源管脚上电的延时时间 |
50 |
tRST |
CHIP_PU 电平低于 VIL_nRST 从而复位芯片的时间 |
1000 |
注意
CHIP_PU 管脚不可浮空。
为确保芯片上电和复位时序正常,一般采用的方式是在 CHIP_PU 管脚处增加 RC 延迟电路。RC 通常建议为 R = 10 kΩ,C = 0.1 μF,但具体数值仍需根据实际的电源特性配合芯片的上电、复位时序进行调整。
如果应用中存在以下场景:
电源缓慢上升或下降,例如电池充电;
需要频繁上下电的操作;
供电电源不稳定,例如光伏发电等。
此时,仅仅通过 RC 电路不一定能满足时序要求,有概率会导致芯片无法进入正常的工作模式。此时,需要增加一些额外的电路设计,比如:
增加复位芯片或者看门狗芯片,通常阈值为 3.0 V 左右;
通过按键或主控实现复位等。
Flash 及 PSRAM
ESP32-P4 系列芯片需配合封装外 flash 一起使用,用于存储应用的固件和数据。ESP32-P4 支持以 SPI、Dual SPI、Quad SPI 等接口形式连接 flash,最大可支持 64 MB flash。
ESP32-P4 系列芯片内部封装了 OPI/HPI 1.8 V PSRAM,请注意 PSRAM 引脚并没有引出芯片。
下面的表格列出了 ESP32-P4 与封装外 flash 的管脚对应关系。请注意这些芯片管脚最多连接一个 flash。
ESP32-P4 |
封装外 Flash (Quad SPI) |
---|---|
FLASH_CK |
CLK |
FLASH_CS |
CS# |
FLASH_D |
DI |
FLASH_Q |
DO |
FLASH_WP |
WP# |
FLASH_HOLD |
HOLD# |
请注意默认使用 VDDO_FLASH 输出电源作为 flash 的电源,默认使用 VDDO_PSRAM 输出电源作为 PSRAM 的电源。
当 VDDO_FLASH 为 3.3 V 输出模式的时候,VDD_LDO 需要考虑到 RVFB 的影响。比如在接 3.3 V flash 的情况下需满足以下条件:
其中,VDD_flash_min 为 flash 的最低工作电压,I_flash_max 为 flash 的最大工作电流,RVFB 是 3.3 V 模式导通电阻。
注意
建议 SPI flash 通信线上预留 0 Ω 串联电阻,以便在需要时进行灵活调整,实现降低驱动电流、减小对射频的干扰、调节时序、提升抗干扰能力等功能。
请在 FLASH_CS 管脚处添加上拉电阻。
建议在 flash 电源处添加 0.1 μF 电容。
时钟源
ESP32-P4 外部可以有两个时钟源:
外置主晶振时钟源(必选)
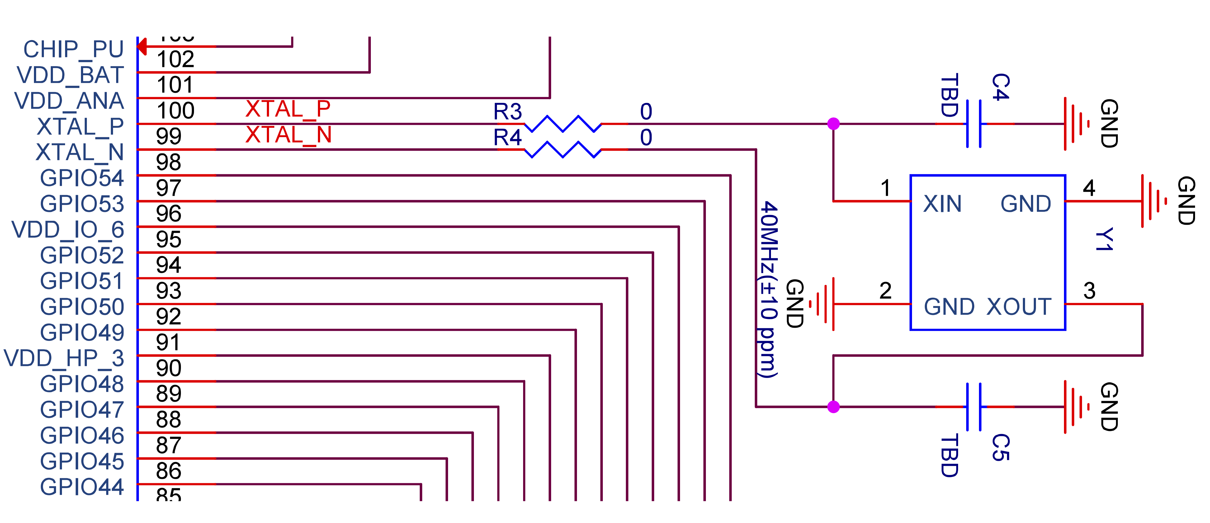
目前 ESP32-P4 系列芯片固件仅支持 40 MHz 晶振。
ESP32-P4 的无源晶振部分电路如图 ESP32-P4 系列芯片无源晶振电路图。注意,选用的无源晶振自身精度需在 ±10 ppm。

ESP32-P4 系列芯片无源晶振电路图
外部匹配电容 C4 和 C5 的初始值可参考以下公式来决定:
其中 CL (负载电容)的值可查看所选择晶振的规格书,Cstray 的值为 PCB 的寄生电容。C4 和 C5 的最终值需要通过对系统测试后进行调节确定。
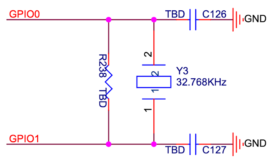
RTC 时钟源(可选)
ESP32-P4 支持外置 32.768 kHz 的无源晶振作为 RTC 时钟。使用外部 RTC 时钟源是为了使时间更准确,从而降低平均功耗,但对于功能没有任何影响。
外置 32.768 kHz 无源晶振的电路如图 ESP32-P4 系列芯片外置 32.768 kHz 无源晶振电路图 所示。

ESP32-P4 系列芯片外置 32.768 kHz 无源晶振电路图
请注意 32.768 kHz 晶振选择要求:
等效内阻 (ESR) ≤ 70 kΩ。
两端负载电容值根据晶振的规格要求进行配置。
并联电阻 R 用于偏置晶振电路,电阻值要求 5 MΩ < R ≤ 10 MΩ。该电阻一般无需上件。
如果不需要该 RTC 时钟源,则 32.768 kHz 晶振的管脚也可配置为 GPIO 使用。
UART
ESP32-P4 有 5 个 UART 接口,即 UART0 ~ UART4,5 个 UART 均支持 CTS 和 RTS 信号的硬件流控以及软件流控(XON 和 XOFF)。ESP32-P4 还有 1 个 LP UART,LP UART 支持 CTS 和 RTS 信号的硬件流控以及软件流控(XON 和 XOFF)。
UART0_TXD 和 UART0_RXD 默认为 GPIO37 和 GPIO38,其他 UART0 信号可以通过软件配置到任意空闲 GPIO 管脚上。LP UART TXD 和 LP UART RXD 默认为 LP GPIO14 和 LP GPIO15,其他 LP UART 信号可以通过软件配置到任意空闲 LP GPIO 管脚上。
UART0 通常作为下载和 log 打印的串口,关于如何使用 UART0 进行下载,请参考章节 下载指导。
推荐使用 UART1 ~ UART4 作为通信的串口。
SPI
在使用 SPI 功能时,为了提高 EMC 性能,请在 SPI_CLK 线上添加串联电阻(或磁珠)以及对地电容。如果空间允许,建议在其他 SPI 线上也添加串联电阻和对地电容。另外,请确保 RC/LC 器件靠近芯片或模组的管脚放置。
Strapping 管脚
芯片每次上电或复位时,都需要一些初始配置参数,如加载芯片的启动模式等。这些参数通过 strapping 管脚控制。复位放开后,strapping 管脚和普通 IO 管脚功能相同。
GPIO34、GPIO35、GPIO36、GPIO37、GPIO38 为 strapping 管脚。
所有的 strapping 管脚信息,可参考 ESP32-P4 系列芯片技术规格书 > 章节 启动配置项。下面主要介绍和启动模式有关的 strapping 管脚信息。
芯片复位释放后,GPIO35、 GPIO36、 GPIO37 和 GPIO38 共同决定启动模式,详见表 芯片启动模式控制。
启动模式 |
GPIO35 |
GPIO36 |
GPIO37 |
GPIO38 |
---|---|---|---|---|
SPI Boot 模式(默认) |
1 |
任意值 |
任意值 |
任意值 |
Joint Download 模式 2 |
0 |
1 |
任意值 |
任意值 |
- 2
Joint Download 模式下支持以下下载模式:
USB Download Boot:
USB-Serial-JTAG Download Boot
USB 2.0 OTG Download Boot
UART Download Boot
SPI Slave Download Boot
Strapping 管脚的时序参数包括 建立时间 和 保持时间。更多信息,详见图 Strapping 管脚的时序参数图 和表 Strapping 管脚的时序参数说明。
参数 |
说明 |
最小值 (ms) |
---|---|---|
tSU |
建立时间,即拉高 CHIP_PU 激活芯片前,电源轨达到稳定所需的时间 |
0 |
tH |
保持时间,即 CHIP_PU 已拉高、strapping 管脚变为普通 IO 管脚开始工作前,可读取 strapping 管脚值的时间 |
3 |
注意
建议在 GPIO35 管脚处预留上拉电阻。
建议不要在 GPIO35 管脚处添加较大的电容,可能会导致进入下载模式。
GPIO
ESP32-P4 系列芯片通过 IO MUX 表格或者 GPIO 交换矩阵来配置 GPIO。IO MUX 是默认的外设管脚配置(详见 ESP32-P4 系列芯片技术规格书 > 附录 ESP32-P4 管脚总览),GPIO 交换矩阵用于将可以配置的外设信号传输至 GPIO 管脚。更多关于 IO MUX 和 GPIO 交换矩阵的信息,请参考 ESP32-P4 技术参考手册 > 章节 IO MUX 和 GPIO 交换矩阵。
部分外设的 GPIO 管脚是固定的,部分是可以任意配置的,具体信息请参考 ESP32-P4 系列芯片技术规格书 > 章节 外设。
使用 GPIO 时,请注意:
Strapping 管脚的上电状态。
请注意 GPIO 复位后的默认配置,详见表 IO 默认管脚配置。建议对处于高阻态的管脚配置上拉或下拉,或在软件初始化时开启管脚自带的上下拉,以避免不必要的耗电。
Deep-sleep 模式下只能控制电源域为 VDD_LP 的 GPIO。
仅用电池供电时只能控制电源域为 VDD_BAT 的 GPIO。
管脚序号 |
管脚名称 |
供电管脚 |
复位时 |
复位后 |
---|---|---|---|---|
1 |
GPIO1 |
VDD_LP/VDD_BAT |
– |
– |
2 |
GPIO2 |
VDD_LP/VDD_BAT |
– |
IE, WPU |
3 |
GPIO3 |
VDD_LP/VDD_BAT |
– |
IE |
4 |
GPIO4 |
VDD_LP |
– |
IE |
5 |
GPIO5 |
VDD_LP |
– |
– |
6 |
GPIO6 |
VDD_LP |
– |
– |
7 |
GPIO7 |
VDD_LP |
– |
– |
8 |
GPIO8 |
VDD_LP |
– |
– |
10 |
GPIO9 |
VDD_LP |
– |
– |
11 |
GPIO10 |
VDD_LP |
– |
– |
12 |
GPIO11 |
VDD_LP |
– |
– |
13 |
GPIO12 |
VDD_LP |
– |
– |
14 |
GPIO13 |
VDD_LP |
– |
– |
15 |
GPIO14 |
VDD_LP |
– |
– |
16 |
GPIO15 |
VDD_LP |
– |
– |
17 |
GPIO16 |
VDD_IO_0 |
– |
– |
18 |
GPIO17 |
VDD_IO_0 |
– |
– |
19 |
GPIO18 |
VDD_IO_0 |
– |
– |
20 |
GPIO19 |
VDD_IO_0 |
– |
– |
22 |
GPIO20 |
VDD_IO_0 |
– |
– |
23 |
GPIO21 |
VDD_IO_0 |
– |
– |
24 |
GPIO22 |
VDD_IO_0 |
– |
– |
25 |
GPIO23 |
VDD_IO_0 |
– |
– |
52 |
GPIO24 |
VDD_IO_4 |
– |
– |
53 |
GPIO25 |
VDD_IO_4 |
– |
IE, USB_PU |
55 |
GPIO26 |
VDD_IO_4 |
– |
– |
56 |
GPIO27 |
VDD_IO_4 |
– |
– |
57 |
GPIO28 |
VDD_IO_4 |
– |
– |
58 |
GPIO29 |
VDD_IO_4 |
– |
– |
60 |
GPIO30 |
VDD_IO_4 |
– |
– |
61 |
GPIO31 |
VDD_IO_4 |
– |
– |
63 |
GPIO32 |
VDD_IO_4 |
IE |
– |
64 |
GPIO33 |
VDD_IO_4 |
IE |
– |
65 |
GPIO34 |
VDD_IO_4 |
IE |
– |
66 |
GPIO35 |
VDD_IO_4 |
IE, WPU |
– |
68 |
GPIO36 |
VDD_IO_4 |
IE |
– |
69 |
GPIO37 |
VDD_IO_4 |
IE |
– |
70 |
GPIO38 |
VDD_IO_4 |
IE |
– |
80 |
GPIO39 |
VDD_IO_5 |
– |
– |
81 |
GPIO40 |
VDD_IO_5 |
– |
– |
82 |
GPIO41 |
VDD_IO_5 |
– |
– |
83 |
GPIO42 |
VDD_IO_5 |
– |
– |
84 |
GPIO43 |
VDD_IO_5 |
– |
– |
86 |
GPIO44 |
VDD_IO_5 |
– |
– |
87 |
GPIO45 |
VDD_IO_5 |
– |
– |
88 |
GPIO46 |
VDD_IO_5 |
– |
– |
89 |
GPIO47 |
VDD_IO_5 |
– |
– |
90 |
GPIO48 |
VDD_IO_5 |
– |
– |
92 |
GPIO49 |
VDD_IO_6 |
– |
– |
93 |
GPIO50 |
VDD_IO_6 |
– |
– |
94 |
GPIO51 |
VDD_IO_6 |
– |
– |
95 |
GPIO52 |
VDD_IO_6 |
– |
– |
97 |
GPIO53 |
VDD_IO_6 |
– |
– |
98 |
GPIO54 |
VDD_IO_6 |
– |
– |
104 |
GPIO0 |
VDD_LP/VDD_BAT |
– |
– |
ADC
使用 ADC 功能时,请靠近管脚添加 0.1 μF 的对地滤波电容,精度会更准确一些。
ADC 通道信号 |
管脚名称 |
---|---|
ADC1_CHANNEL0 |
GPIO16 |
ADC1_CHANNEL1 |
GPIO17 |
ADC1_CHANNEL2 |
GPIO18 |
ADC1_CHANNEL3 |
GPIO19 |
ADC1_CHANNEL4 |
GPIO20 |
ADC1_CHANNEL5 |
GPIO21 |
ADC1_CHANNEL6 |
GPIO22 |
ADC1_CHANNEL7 |
GPIO23 |
ADC2_CHANNEL0 |
GPIO49 |
ADC2_CHANNEL1 |
GPIO50 |
ADC2_CHANNEL2 |
GPIO51 |
ADC2_CHANNEL3 |
GPIO52 |
ADC2_CHANNEL4 |
GPIO53 |
ADC2_CHANNEL5 |
GPIO54 |
SDIO
ESP32-P4 系列芯片只有一个 SD/MMC 主机控制器,不能用做从机,SDIO 2.0 和 SDIO 3.0 接口需要分时复用。
SDIO 2.0 接口信号可以通过 GPIO 交换矩阵配置到任意空闲的 GPIO 上,在 SDIO 3.0 接口中,部分信号的管脚是固定的,请按照下表所示方式连接。
请在 SDIO GPIO 管脚处添加上拉电阻,建议每根线上预留一个串联的电阻,并在 SDIO CLK 线上预留对地的电容用于调节。
考虑到 SDIO 3.0 协议中 SDIO GPIO 工作电压自动切换的要求,建议把 SDIO GPIO 的电源域 VDD_IO_5 和外部上拉电源连接至 VDDO_4。SD 卡供电电源请连接至系统 3.3 V 电源。

ESP32-P4 SD 3.0 卡电源电路图
为了降低 SD 卡的功耗和复位 SD 卡,可以在 SD 卡电源处预留 MOS 管电路,通过 GPIO 来控制。
SDIO 信号 |
管脚名称 |
---|---|
SD1_CDATA0_PAD |
GPIO39 |
SD1_CDATA1_PAD |
GPIO40 |
SD1_CDATA2_PAD |
GPIO41 |
SD1_CDATA3_PAD |
GPIO42 |
SD1_CCLK_PAD |
GPIO43 |
SD1_CCMD_PAD |
GPIO44 |
SD1_CDATA4_PAD |
GPIO45 |
SD1_CDATA5_PAD |
GPIO46 |
SD1_CDATA6_PAD |
GPIO47 |
SD1_CDATA7_PAD |
GPIO48 |
USB
ESP32-P4 系列芯片集成一个 USB 串口/JTAG 控制器,默认使用 GPIO24 和 GPIO25 作为 USB 的 D- 和 D+。
ESP32-P4 系列芯片带有一个集成了收发器的全速 USB On-The-Go (OTG) 外设,符合 USB 2.0 规范,默认使用 GPIO26 和 GPIO27 作为 USB 的 D- 和 D+。
使用 USB 串口/JTAG 控制器和全速 USB On-The-Go (OTG) 外设时,请注意:
USB 的 D- 和 D+ 管脚功能可以互换。
使用单个功能时,可以选择 GPIO24/GPIO25 和 GPIO26/GPIO27 其中任意一组。
同时使用两个功能时,GPIO24/GPIO25 和 GPIO26/GPIO27 各自作为一个功能的两个管脚使用。
ESP32-P4 系列芯片带有一个集成了收发器的高速 USB On-The-Go (OTG) 外设,符合 USB 2.0 规范,DM 和 DP 分别作为 USB 的 D- 和 D+。
全速 USB 的 D- 和 D+ 线上建议预留串联电阻(初始值可为 22/33 Ω)和对地电容(初始可不上件),并注意靠近芯片端放置。

ESP32-P4 系列芯片 USB RC 电路图
建议在 USB 连接器端预留 ESD 保护二极管。当使用高速 USB OTG 外设时,请注意 ESD 保护二极管的寄生电容不能超过 1 pF,否则会导致信号质量较差,传输不稳定。
ESP32-P4 系列芯片也支持通过 USB 进行下载,请参考 下载指导。
触摸传感器
使用 TOUCH 功能时,建议靠近 ESP32-P4 侧预留串联电阻,用于减小线上的耦合噪声和干扰,也可加强 ESD 保护。该阻值建议 470 Ω 到 2 kΩ,推荐 510 Ω。具体值还需根据产品实际测试效果而定。
ESP32-P4 系列芯片的触摸传感器同时还支持防潮功能和遇水保护功能。防潮设计可缓和小水珠带来的影响,ESP32-P4 触摸传感器引入 Shield Pad 这一特殊 PAD。用户可以任选一个触摸管脚作为 Shield Pad,Shield Pad 会和当前正在测量的触摸管脚进行并联,有效缓和水滴带来的影响。
以太网 MAC
EMAC RMII 接口 GPIO 配置请见下表。
EMAC 信号 |
管脚名称 |
---|---|
RMII_RXDV |
GPIO28, GPIO45, GPIO51 |
RMII_RXD0 |
GPIO29, GPIO46, GPIO52 |
RMII_RXD1 |
GPIO30, GPIO47, GPIO53 |
RMII_RXER |
GPIO31, GPIO48, GPIO54 |
RMII_CLK |
GPIO32, GPIO44, GPIO50 |
RMII_TXEN |
GPIO33, GPIO40, GPIO49 |
RMII_TXD0 |
GPIO34, GPIO41 |
RMII_TXD1 |
GPIO35, GPIO42 |
RMII_TXER |
GPIO36, GPIO43 |
建议在 RMII CLK 线上预留串联电阻用于调节。
请注意 RMII 接口中的时钟信号仅为输入,如果要使用时钟输出的方案,请使用 REF_50M_CLK_PAD 信号 (GPIO23/GPIO39)。
MIPI
ESP32-P4 带有一个 MIPI DSI 接口,用于连接 MIPI 接口的显示屏;它还带有一个 MIPI CSI 接口,用于连接 MIPI 接口的摄像头。请在 CSI_REXT 和 DSI_REXT 管脚处各添加 4.02 kΩ 下拉电阻。
建议在 MIPI 通信线上预留串联电阻(初始可使用 0 Ω),主要作用为降低驱动电流,调节时序,提升抗干扰能力等。
如果设计中有射频模块,请在 CSI 接口对接的设备端也添加串联电阻以降低对射频模块的干扰。
注意
如果不使用 MIPI 接口,电源和外置电阻管脚可以悬空。
对于 MIPI 接口的设备,其控制信号请使用 GPIO。

ESP32-P4 MIPI 信号电路图